Mejorando las prestaciones del microscopio óptico (2da parte)

 

Iluminando desde arriba

Tomando la idea de un participante del foro de cientificosaficionados, el amigo joliva68 he construido un anillo con cuatro leds de alto brillo blanco, obteniendo baste buen resultado para observación de insectos y ácaros, solo he podido usarlo con la lente panorámica de 10X

clip_image002

Imagen de un bebé pulgón

clip_image004

Para mejorar la profundidad siempre se pueden tomar varias fotos y con algún software hacer un apilamiento

Florescencia

Con un sencillo dispositivo se puede ver fluorescencia en muestras

Siempre tuve la idea de iluminar con luz UV, hoy en día es muy fácil conseguir LED cuya longitud de onda anda por los 395 nm, se pueden comprar por ebay por minedas, estos leds tienen una buena componente en visible alrededor de los 415 nm.

Siguiendo con la misma idea del dispositivo anterior construí un anillo con ocho leds de este tipo, creo que la iluminación sería mas conveniente desde abajo pero no estoy seguro si esa luz pueda dañar la vista, también se podría usar con campo oscuro y de esa forma se evitaría la incidencia directa sobre los ojos.

clip_image006

clip_image008

Para mejorar la intensidad de luz usé un espejo en láminas que obtuve cuando desarmé el display de un celular para sacar los plásticos polarizados, ese espejo colocado debajo la muestra aumenta notablemente la luminosidad, de cualquier forma siempre es conveniente apagar las luces del recinto donde se hace la observación.

clip_image010

Se ve mi cámara Canon A570 reflejada

Para poder ver algo necesitaremos pigmentos fluorescentes, se pueden comprar o bien obtener de los marcadores flúor que son bien económicos, se extrae del interior del marcador un filtro que tiene la tinta que necesitamos, para extraerla le largamos desde el extremo superior con una pipeta unos 10 cm3 de agua destilada o solución fisiológica estéril, en la foto puede verse el líquido obtenido.

clip_image012

clip_image014

Para preparar la muestra, por ejemplo de agua descompuesta donde hay muchos microorganismos, se ponen unas gotas de agua y la misma cantidad del liquido fluorescente, se deja aproximadamente una hora en contacto y luego el tubo se completa con agua y se centrifuga, se vierte el sobrenadante y se vuelve a lavar con agua, otra ves se vuelca el sobrenadante y con el sedimento se hace la observación entre porta y cubre

Se verán muchas bacterias que se tiñen fuertemente, algunas algas que absorben el colorante y microorganismos que también lo hacen.

clip_image016

clip_image018

Yo tengo muy poca tecnología para las imágenes, en vivo se ven muchas bacterias y microorganismos

Este video del que se ve muy poco ya que solo he podido usar la lente de menos aumento muestra uno de estos microorganismos con vivos movimientos

Mejorando las prestaciones del microscopio óptico (1ra parte)

Condensador de campo oscuro improvisado

Una de las formas de ver mejor cierto tipo de muestras es modificar la iluminación con que se incide sobre ella, el microscopio tiene una luz inferior que después de pasar por la muestra entra por el objetivo y después de algunas lentes llega al ojo, ese sistema hace que nosotros veamos un campo claro, ciertas muestras se ven mucho mejor con un campo oscuro, para tal fin hay un condensador llamado de campo oscuro que no deja pasar la luz que viene directamente, el dispositivo tiene una especie de mancha oscura en el centro y un anillo alrededor que permite pasar los rayos, esto hace que las muestras sean iluminadas por ases laterales de luz y dejan brillante su contorno que se realza mas con el fondo negro.

Estos condensadores de campo oscuro como el de la foto son bastante caros, alrededor de U$A 100, sin embargo hay un truco que nos permite simular el campo oscuro sin gastos y es lo que explicaré a continuación

En el condensador normal del microscopio generalmente hay un lugar donde van los filtros,

clip_image002

Condensador del microscopio

clip_image004

Puede verse el condensador con una lente convergente en la parte inferior e inmediatamente arriba el lugar de los filtros, en este caso es blanco pero puede ser azul también.

Se recorta en cartulina negra un circulo de tamaño bastante menor al filtro

clip_image006

Se pone en medio del filtro

clip_image008

Puede verse el parche colocado sobre el filtro

Los resultados

clip_image010

clip_image012

Son cristales cloruro de sodio (sal de mesa) vistos con iluminación normal y con el campo oscuro

clip_image014

clip_image016

Son las mismas imágenes con el mismo objetivo vistas con iluminación tradicional y fondo oscuro.

También es posible modificando el parche realizar iluminación oblicua que muchas veces también mejora la visión

Luz polarizada para el microscopio

Otra posibilidad que permite hermosa visión sobre todo de cristales es la observación de muestras con luz polarizada, para poder realizarla necesitaremos de dos filtros polarizadores, se pueden comprar a unos U$A 75 o se pueden obtener casi gratis como explicaré.

Estos filtros son como un film, la particularidad de ellos es que dejan pasar la luz solo en un plano, si colocamos un filtro en forma horizontal y otro en forma vertical la luz no pasará. Ahora si entre ambos filtros ponemos una muestra que sea capaz de desviar la luz podremos ver.

Bien como saben que soy el rey de los juntamugre no les dejaré comprar el filtro, lo obtendremos de material reciclado. De donde obtener los films, lo mas fácil es conseguir una tira del plástico que se usa para polarizar los vidrios de los autos, habrá que sacarle el pegamento y tratar de rayar lo menos posible.

Otra salida es conseguirse un par de lentes de 3D esos ya están sin adhesivo pero normalmente están bastante rayados, y la última que es la que hice yo, tomar los filtros de los displays LCD, estos traen pegado de adelante y de atrás un filtro de este tipo

clip_image018

Display de un movil

clip_image020

He separado el LCD

clip_image022

Despegado el film polarizado

clip_image024

Los filtros superpuestos uno polarización horizontal y el otro vertical, no dejan pasar la luz

clip_image026

Ambos filtros con la misma polarización

Como puede verse de acuerdo a la posición dejará pasar o no la luz.

Un filtro se colocará directamente sobre la luz del microscopio y el otro se puede usar directamente como si fuera el cubre de la muestra.

clip_image028

Para ajustar debemos girar el filtro que esta sobre la luz hasta tener el campo lo mas oscuro posible.

Los resultados

clip_image030

clip_image032

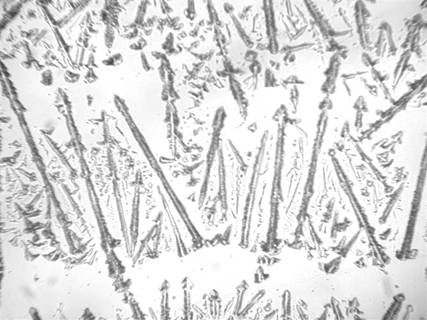
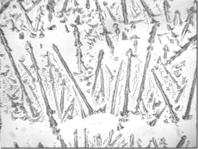
Este es un grano de arena visto con luz normal y polarizada

clip_image034

clip_image036

Granos de almidón de una papa

clip_image038

clip_image040

Estos son cristales de acido acetil salicilico de una aspirina

clip_image042

clip_image044

Granos de polvo

clip_image046

clip_image048

Fibras de tejidos de algodón, también las sintéticas se ven muy bonitas

Despertando al Rotífero Philodina

Con esto de buscar microorganismos resistentes, ando viendo en charcos, aguas podridas y demás lugares inhóspitos y hoy observando un bichito muy común del filo rotífero, (todo aquel que haya mirado en microscopio una gota de agua descompuesta los ha visto) se me ha ocurrido una idea, desecar la gota que los contenía y observar como se preparaban para los malos tiempos de sequía y luego que estén bien secos reanimarlos nuevamente.

Vi una escena en vivo y en directo de como se activan nuevamente que es una belleza, los animo a que hagan esta prueba porque no van a arrepentirse y es muy sencilla, además con cualquier microscopio por mas ordinario que sea puede verse, se usa aumento X 10 porque son bastante grandes.

La siguiente foto es del bicho del que les hablo, tienen una especie de rueda ciliada que gira en la cabeza, por eso lo de rotífero.

 

 

rotifero_brachionus

Esta foto fue tomada de http://www.sc2-esp.com/showthread.php?t=1105&page=4

Agrego un video de los rotiferos en acción vistos con campo oscuro, es una herramienta fantastica para el microscopio óptico que hace que la luz pase cruzada por la muestra y no entre en el objetivo esto hace que se vea la muestra con fondo negro y los contornos iluminados

fondooscuro 001 (Medium)

El video

Para reproducir este experimento es muy simple, se busca agua descompuesta de algún florero que lleve varios días ahí y con el microscopio en aumento 10X (el de menos aumento) se busca el microorganismo, es muy activo y bastante grande, con cualquier microscopio por mas elemental que sea pueden identificarlos,  puede verse la rueda de cilios que gira creando una corriente de agua  que le lleva el alimento al interior.

Una vez vemos el bicho dejamos que se seque la gota de agua sobre el porta, una o dos horas

Una vez seca tratamos de encontrar los quistes que se verán de esta manera

rotiferos 001 (Medium)

Luego que los hemos encontrado agregamos con suavidad una gota de agua sobre ellos y colocamos un cubreobjetos y comenzamos a observar la resucitación, mas o menos tarda unos 10 minutos en ponerse activo

Este video de producción propia muestra el espectáculo

Microorganismos extremotolerantes y extremófilos (Primera parte)

 

Introducción

Antes que nada dejar bien claro que esto es un trabajo “grueso” que nada tiene que ver con estudios que se hacen en universidades y centros de investigación en los que se cuenta con biología molecular donde todo es muy minucioso, la idea es con pocos medios tratar de investigar algo y llegar al menos a alguna conclusión válida.

Últimamente se ha oído hablar mucho de extremófilos y bichos casi inmortales capaces de sobrevivir a las condicionas mas adversas.

Este tema siempre me ha parecido por demás interesante al momento de evaluar de donde ha surgido la vida en nuestro planeta, sobre todo una de las hipótesis dice que la vida se habría iniciado por el choque de meteoritos o cometas que traían como polizones a bacterias, esto se llama panspermia.

Como para ilustrar un poco el tema vamos a definir que son los microorganismos extremófilos y extremotolerantes.

Extremófilo es el organismo que vive en condiciones extremas, es decir hace todas sus funciones en ese medio hostíl, aún reproducirse

Extremotolerante o extremoresistente: son los organismos que soportan condiciones extremas, pero no se replican en esos medios.

Hay bastante información sobre extremófilos en la red, me gustó este documento http://axxon.com.ar/zap/210/c-Zapping0210.htm

Agradecimientos:

A Petersen, Bencine, Crazy-Xaby de los foros de cientificosaficionados.com, también a mi querido amigo Ángel (Black Tiger) que siempre esta incentivando y aportando ideas en cualquier proyecto en el que me embarque.

De que trata este trabajo

La idea es investigar si en el suelo, en tierra común del jardín hay bacterias que puedan soportar agresiones físicas y químicas que los incluyan dentro del grupo de los extremoresistentes o extremotolerantes, con solo eso podemos inferir la posibilidad cierta de la panspermia, de la que hablamos antes y a su vez preguntarnos si estas bacterias, si las encontramos, en un gradiente de condiciones de la mejor a la peor no pueden haber ido adaptándose, mutando, para llegar a cumplir todas sus funciones muy cerca de las peores condiciones ambientales transformandose en extremófilos.

Muchos de los extremófilos descubiertos pertenecen al dominio archaea, es una división bastante nueva, antiguamente se dividía a los seres vivos en procariotas y eucariotas, hoy en día hay tres dominios, archaea, bacteria, y eucariotas, también hay extremófilos que son bacteria.

Las pruebas

– El material usado es tierra, se usó una que estaba guardada de hace mas de dos años en un recipiente plástico y proviene de un lote de siembra, una tierra bastante castigada con herbicidas y pesticidas y por supuesto muy baja humedad por el largo período de almacenamiento.

clip_image002

La tierra estaba almacenada en una bolsa a su vez dentro de un recipiente plástico por mas de 2 años

Primera prueba someter a vacío 10^-7 torr varias muestras durante 1 hora, si bien el vacío espacial es de mas de 10^-14 torr, el vacío proporcionado por una bomba difusora es alto vacío y ya hemos visto que pasa si algún eucariota se encuentra en esa condición,

a los muy pocos segundos muere, por desecación (el agua hierve a temperatura ambiente) además baja la temperatura del cuerpo y al encontrarse sin oxigeno entra en hipoxia Ver diez experimentos con vacío https://anajesusa.wordpress.com/2010/10/29/diez-experimentos-con-vacio/

clip_image004

Los frascos contienen aproximadamente 1 gramo de tierra cada uno

clip_image006

Las muestras en campana de vacío a 10^-7 torr (vacío de bomba difusora)

Una muestra va a frasco de hemocultivo, se usó por disponibilidad, pero son caros asi que para pruebas sucesivas se trabajó con caldo tripteína soya

Y otra a frasco con solución fisiológica estéril

clip_image008

Las muestras con numeración en negro son testigos, no fueron puestas al vacío

clip_image010

Resultado positivo en los frascos con cultivo para bacterias y negativo en los otros dos frascos donde se busco algas y unicelulares (Parece que estos bichitos y vegetales perecieron por desecación de la tierra durante estos años que estuvo almacenada) Aún sigue la observación periódica

clip_image012

El frasco con medio para hemocultivo con abundante espuma

clip_image014

También el frasco con la muestra sometida a vacío presenta abundante espuma y turbidez

En los frascos con solución fisiológica estéril después de 40 días aparecen pequeños unicelulares flagelados en la muestra que no se sometió a vacío, la otra muestra no presenta ninguna actividad

– Segunda prueba someter a vacío 10^-7 torr a una muestra de la misma tierra durante 11 días.

clip_image016

La ampolla al vacío donde estuvo la muestra de tierra por espacio de 11 días

Resultado positivo para bacterias en medio líquido, caldo tripteína soya. El desarrollo tanto en esta prueba como en la anterior corresponde a bacilos gram positivos, esporulados, móviles, productores de gas (no combustible, posiblemente CO2) con gran velocidad de replica, en unas 6 horas enturbian el medio, por pruebas simples realizadas no parecen modificar el pH del medio.

clip_image018

El aspecto de los bacilos gram positivos con espora central (color verde) tinción verde de malaquita

– Tercera prueba someter a temperatura de 65º a una muestra de tierra abonada de jardín con buena humedad y a hisopo con muestra proveniente de un repique de los bacilos que sobrevivieron a la prueba de vacío. Se dejo en la estufa a esa temperatura 24 horas.

Resultado positivo en ambos frascos con caldo tripteína Soya.

clip_image020

El recinto termostatizado y el multímetro con el termopar indicando la temperatura

– Cuarta prueba igual a la anterior, pero a temperatura de 85º

clip_image022

Hubo que cambiar el recinto termostatizado por uno de madera ya que el que se usó en la otra prueba era plástico y se ablandaba a 85º

Resultado, positivo en caldo tripteina soya, parece que son extremadamente resistentes al calor seco, la coloración indica gram positivos, con espora central, prueba de la catalasa positiva, parece ser que son del genero Bacillus, son móviles por lo que se descartaría bacillus antrasis (puff…. Menos mal!!!)

– Quinta prueba, se somete una muestra de la tierra de las de la primera prueba a autoclave, en realidad una olla a presión, durante 15 minutos, se verificó la temperatura dentro del recinto de esterilización 118ºC.

Resultados: siguen desarrollando en medio líquido tripteína soya, parece ser la misma bacteria, también se procedió a resembrar en placa de agar nutritivo en anaerobiosis, hasta ahora todo se había hecho en aerobiosis, el resultado fue positivo, parece que les importa poco si tienen o no oxígeno, pueden ser anaerobios facultativos

-Sexta prueba: se somete a radiación alfa un cultivo de agar nutritivo inoculado con la bacteria.

Resultado: las bacterias son sensibles a la radiación alfa proveniente del americio, material radiactivo fuerte emisor de este tipo de partículas, se evalúa la posibilidad que en el sitio de inhibición de desarrollo las esporas sigan viables, este experimento esta en curso

clip_image024

Placa de americio

clip_image026

En agar nutritivo desarrolla en toda la superficie salvo el lugar expuesto a partículas alfa

clip_image028

En esta imagen puede verse el efecto de la radiación

Continuará….

Cromosomas gigantes en Drosophila spp

Agradecimiento: A la Doctora Beatriz Goni de la facultad de Ciencias de la Universidad de la Republica (Uruguay), ella ha colaborado con el trabajo  con todo desinterés y ha hecho que sea posible.

Introducción

Se conocen dos tipos de cromosomas de gran tamaño, los politénicos y los plumulados, la característica es su enorme tamaño de unas 1000 veces más que los cromosomas somáticos, la longitud va desde las 1200 a 2000 μ y su diámetro entre las 4 y 5 μ.

Para encontrar a estos cromosomas vamos a tener que conseguir larvas de una mosquita muy difundida en todo el mundo, la Drosophila, es la mosquita de la fruta

Estas larvas en sus glándulas salivales tienen cromosomas gigantes politénicos.

clip_image002

Esta es la mosquita, probablemente Drosophila simulans que es mas frecuente que melanogaster sin embargo a los efectos de ver los cromosomas gigantes  hay pocas variaciones

Esta mosquita es muy frecuente verla cuando dejamos a la sombra algún cesto con frutas, inmediatamente estas están merodeando y revoloteando sobre ellas, son muy pequeñitas comparadas con las moscas comunes y en general tienen los ojos rojos. La hembra es más grande que el macho.

clip_image004

Esta mosca desde 1909 luego de un trabajo de Thomas Morgan pasó a ser el insecto mas usado en genética experimental debido a su económica reproducción, rápida descendencia y amplia distribución en todo el mundo.

Como conseguir las larvas

Medio de cultivo

Para ver los cromosomas gigantes necesitamos larvas, las cuales  cultivaremos en un medio casero que podemos preparar así:

1 banana o plátano

1 cucharada grande de levadura de cerveza

1,5 cucharada grandes de Maicena o fécula

1 cucharada de yogur natural

1,5 cucharada de vinagre de alcohol

½ taza de agua caliente.

Se colocan todos los ingredientes haciendo una papilla, luego se le agrega a la misma la media taza de agua bien caliente, se mezcla y se reparte en potes de unos 10 cm de diámetro, el líquido debe alcanzar 1,5 a 2 cm en el pote.

Antes de colocar la mezcla en el pote conviene hervir la papilla antes que leude la levadura.

Si se va a trabajar en cruzamientos genéticos conviene agregarle al medio de cultivo algún conservante como por ejemplo el Nipagin, de esa manera se puede guardar en heladera el medio listo para usar, en este caso solo usé la mezcla sin hervir y sin este conservante , nada mas que los ingredientes que están al principio

clip_image006

Se ve el aspecto del medio y también algunas mosquitas que detectaron el aroma y están en las paredes del recipiente

clip_image008

Después de dos días el recipiente tenía una buena cantidad de moscas por lo que lo tapé para que otras moscas de otro tipo no colonicen allí

Hay otros medios de cultivos, pero este funciona bien y los ingredientes los tenemos en casa

El ciclo de la mosca a unos 25 º C es de unos 10 días, de huevo pasa a larva de larva a pupa y de pupa a adulto, más o menos a partir de los 6 o 7 días veremos el movimiento de las larvas que suben por las paredes del pote.

clip_image010

Increíble movimiento de las larvas en el el medio a los 6 días (un mar de gusanos)

Disecando las larvas

La larva tiene unos 3 mm de largo a los 6 días que es el momento de separarlas para disecarlas (Por favor ecologistas no joder con eso que soy cruel y mato animalitos, son gusanos…)

Se colocan en una capsula de petri o un vidrio de reloj con unas gotas de acido acético al 45% para que no se deshidraten, con un fondo oscuro.

Ojo no confundir las pupas que son de un color pardo y no tienen movimiento

Para disecarlas necesitamos dos agujas (usé dos de extracción 25/8 con unos manguitos plásticos que las hacen mas manejables) Es conveniente ayudarse con una lupa, en mi caso usé una tipo monóculo de relojero

Las agujas  aplastarlas para que el material no se vaya dentro, deben tener buena punta pero no filosas.

clip_image012

Se coloca una aguja mas o menos al medio de la larva aplastándola y dejándola inmóvil y la otra en las fauces ( se distinguen bien porque son negras, además la larva se desplaza con esa parte hacia delante) luego se desplazan las agujas en sentido contrario desgarrándola, la parte de la aguja que estaba en las fauces quedará con las glándulas

clip_image013

clip_image014

Las glándulas son de color blanco grisáceo y conviene separarlas perfectamente de la parte de fauces, que queden solas o lo mejor que se pueda, una vez hecho esto las depositamos en un portaobjetos con una gotita acético al 45%

clip_image016

Una larva de 3er grado, son las as grandes y generalmente adheridas a la pared del frasco con el cultivo

clip_image018

El tamaño de la larva comparado con el bisel de una aguja 25/8

clip_image020

La zona donde están las glándulas salivales

Coloración

En los textos donde se describe este práctico recomiendan la orceína láctica, si se dispone de ella hay que poner una gota de colorante sobre el material y dejarlo 10 minutos luego un cubreobjetos, seguidamente se pone una servilleta de papel  sobre el mismo y con el pulgar se presiona fuertemente para disgregar el material (squash). En este tipo de coloración podrá observarse el bandeo de los cromosomas, adjunto una foto que me proporcionó la doctora Goni realizada con esta técnica

image

Yo no dispongo orceína realicé coloraciones de las que disponía, lo que mejor anduvo fue el colorante de Giemsa, es un líquido con varios colorantes muy conocido y económico, se utiliza en los laboratorios para colorear sangre un litro de este colorante sale aproximadamente unos U$A 20

Técnica con Giemsa

Una vez disecadas las glándulas las colocamos en un porta con unas gotas de ácido acético al 45% hasta que se pongan  transparentes, aproximadamente unos 15 minutos, luego ponemos un cubre sobre el material y con una servilleta de papel sobre el mismo y por debajo hacemos presión fuertemente sobre el cubre con el dedo pulgar sin girar, eso se denomina scuash  y rompe los núcleos de las células dejando los cromosomas bien extendidos, luego colocamos el portaobjetos sobre hielo seco (si disponemos de él) y una vez congelado el material con la punta de una aguja hacemos saltar el cubreobjetos, si no hay hielo seco quedará bastante material pegado al cubre, podemos intentar otro scuash al costado del primero para dejar la mayor cantidad de material.

Se deja secar al aire y se vierten sobre el mismo 10 cm de colorante, preparado con 10 cm de agua y 10 gotas de giemsa se deja actuar el colorante 10 minutos luego se lava con chorro de agua fino sobre un costado del porta para que el agua no arrastre el preparado

Observación

Se coloca una gota de aceite de inmersión y se la desparrama en forma uniforme, siempre aunque se observe con objetivos que no son de inmersión en preparados secos hay que poner el aceite, si no se dispone de ella puede usarse vaselina líquida con buen resultado. La primera observación se hace con objetivo panorámico de X 10 y se localizan los núcleos que quedan de un color rojizo, luego se pasa a X 40 y luego a X100 con inmersión

clip_image026

Núcleo de célula gigante a X 40

clip_image028

clip_image030

 

 

Y ahora lo mas lindo, los cromosomas bien distendidos y en toda su magnitud con el bandeo característico

cg1

cg2

cg3

cg4

Una plantita que se las trae… La Echinacea

Esta interesante planta es muy poco común en américa del sur, es originaria de norteamérica, la utilizaban las tribus de indios Siux como planta medicinal, es un estimulante del sistema inmunológico, tanto es así que se la utiliza como tratamiento alternativo para el sida, por esta característica es muy utilizada como antibiótico natural, no porque sea un antibiótico en si, sino por fortalecer el sistema inmunológico

echi 002 (Medium)

echi 003 (Medium) 

Si ingresan su nombre en el buscador encontraran que es uno de los “yuyos” como les decimos por acá, más utilizados.

Las semillas no son fáciles de conseguir, yo después de bastante de andar rastreándolas me conseguí algunas y tengo ya mi plantación de echinaceas purpurea, unas pocas plantas con las que pude hacer varios experimentos interesantes.

En mi caso hice algunas pruebas probándola como antibiótico. Según lo que he leído la parte mas activa es la raíz, pero la planta debe tener mas de 2 años para poder cosechar esta parte, así que me he limitado a hacer las pruebas con un extracto alcohólico sacado de las hojas. Igual como se realiza un antibiograma confeccioné unos papeles tissue impregnados con el extracto, dejé secar y luego en una placa de petri con agar nutritivo (un medio de cultivo para gérmenes comunes) inoculé una cepa conocida de escherichia Coli, luego adherí  los papeles impregnados con el extracto, despues de 48 horas en estufa a 37º encontré quela hierba se comporta como antibiótico muy debil dado que había halo de inhibición tenue alrededor del papel, en la foto se aprecia el halo de inhibición de un discograma comercial con antibióticos de última generación, y el halo que produce el extracto, bastante tenue en comparación con estos

echi 006 (Medium)

Este es un discograma comercial, obsévese como el amplio halo de inhibición de los antibióticos que están en el angulo superior derecho

echi 007 (Medium)

El papel impregnado presenta un halo bastante tenue

También con la colaboración de algunos apicultores hicimos una prueba suministrando a colmenas a razón de 1cm3 por cada una durante tres semanas consecutivas, como tratamiento para una enfermedad bacteriana llamada Loque, como es muy difícil establecer que colmena tiene alguna sintomatología de la enfermedad se hace un tratamiento generalizado y se evalúa la efectividad del antibiótico censando las colmenas que enferman a lo largo del año.

Las colmenas que fueron tratadas no fueron atacadas por Loque. También se notó cierta mejoría en cuanto a rinde y resistencia a otras enfermedades como nosema apis.

Para complementar este trabajo, les comentaré como se prepara la solución madre o extracto.

Se cosechan las hojas (en este caso, se puede hacer con tallos frutos o raices) eligiendo las mas sanas, preferiblemente se hace a la mañana temprano luego s las deja secar colgadas en pequeños ramos, Una vez secas se las tritura apretándolas con las manos y se coloca en un frasco de boca ancha unos 20 grs por cada 100 de líquido, en este caso se usa alcohol etílico al 40%, también puede usarse vodka como líquido extractante. Se deja unos 15 días o mas, veremos que el líquido se va poniendo de un color pardo, pasado ese tiempo se procede a filtrarlo y distribuirlo en frascos tipo gotero

echi 004 (Medium)

Las hojas secas

echi 005 (Medium)

El frasco que contiene el alcohol al 40% con las hojas trituradas y en la probeta el extracto filtrado

Emisión de luz en tejidos animales sometidos a agresiones farmacológicas y químicas

Aprovechando la ventaja de tener el fotomultiplicador en funcionamiento por sugerencia de Boticario-Tux de DTForuM y basándome en algunos documentos que encontré y que pueden ver al final, he realizado esta interesante prueba.

La experiencia que sugiere uno de los documentos es con animales vivos, específicamente ratas de laboratorio, se duerme al animal y se abre su abdomen dejando expuesto el hígado, el roedor debe estar canalizado para poder inyectar el fármaco que se pone a prueba.

Como bien sabemos el hígado es el laboratorio del organismo y allí van a metabolizarse  todos los medicamentos, el fenómeno de emisión de fotones se presenta cuando la toxicidad es suficiente para destruir células, por ejemplo se inyecta tetracloruro de carbono (Cl4C) y a medida que hay muerte celular se va incrementando la cuenta de fotones por minuto. La presencia de esa luminiscencia parece ser provocada por la oxidación lenta del fósforo que formaría un óxido en estado excitado (Bibliografía:  Fisicoquímica Autor Gilbert W. Castellan)

Bueno, para no ser escrachado después, no he sacrificado ninguna rata, he conseguido un pulmón de una vaquillona recién faenada y me lo he traído al laboratorio, hice dos conteos basales, colocando un trozo del tejido en contacto directo con el PMT y la tasa de cuentas por minuto me dio 0 (cero) en ambas medidas, luego bañe el tejido en una solución de soda cáustica y volví a tomar medidas, encontrando una tasa de unas 120 cuentas por minuto.

Imagen 001

El trozo de pulmón en la cápsula de petri

Imagen 002

En el "montacargas" del recinto oscuro del fotomultiplicador

Imagen 003

Comparando con el trabajo con la rata "in vivo", la tasa debió ser muy superior (como unas 10 veces mas), sin embargo se debe tener en cuenta que el tejido tardó en llegar al laboratorio y la prueba se realizó casi 5 horas después que se había dado muerte al animal, también hubiera sido interesante hacer la prueba con el Cl4C que lamentablemente no tenía.

Como conclusión me queda que realmente los tejidos necrosados emiten luz, actualmente estamos investigando con mis alumnos del club de ciencias Nicolás Tesla una leyenda urbana, la “luz mala”, logicamente desde el punto de vista puramente científico, localmente  varios lugareños han visto estos fuegos fatuos y la idea es traer material de la zona (huesos y tierra) de donde se haya producido el fenómeno y tratarlas con distintos químicos midiendo la emisión de fotones en el recinto oscuro del PMT

Documentos consultados de interés:

http://cid-c7f66de844f97871.skydrive.live.com/self.aspx/P%c3%bablico/Pruebas%20con%20PMT/Teorico%20FQ%2018.ppt

http://cid-c7f66de844f97871.skydrive.live.com/self.aspx/P%c3%bablico/Pruebas%20con%20PMT/quimioluminiscencia.pdf

Electroforesis en acetato de celulosa

Electroforesis en acetato de celulosa (Cellogel)

 

Fundamento teórico

 

Es un método para fraccionar mezclas proteicas, tal como lo es el suero sanguineo, como las moléculas tienen distinta movilidad cuando son sometidas a la acción de un campo eléctrico, separándose en fracciones. El buffer o tampón que se use para la corrida es fundamental, porque de él va a depender la carga neta de las moléculas, de su pH. Otros factores importantes son el tamaño de la molécula, la intensidad de corriente utilizada y la temperatura.

Nota: No es que las proteínas en realidad tengan carga, tienen carga neta cero en su punto isoeléctrico, pero a determinado pH hay grupos ionizables principalmente COO y NH3+ que le dan esa carga necesaria para el fraccionamiento.

 

Materiales a utilizar

 

Una fuente de unos 150 DCV 100 mA

Una cuba electroforética (ver foto) esta es comprada, pero puede fabricarse fácilmente con acrílico, son dos compartimentos separados sobre la separación va montado un puente de acrílico también donde se monta el cellogel

Aplicadores o sembradores  El mío esta hecho casero con  una aguja de hipodérmica de las gruesas, con el dremel le rebajé la cánula hasta dejarla media caña (ver foto), tiene un tamaño de 0.7 cm, por cada tira de 2 cm de ancho largo dos siembras de la misma muestra, una para eluir y la otra para presentar en el informe

  Cuba electroforeticaCuba vista de costadoAplicadorVista en detalle del aplicador

Reactivos

 

Tiras de cellogel se compran en lugares donde venden insumos para laboratorios de análisis clínicos, vienen en sobres que contiene un líquido, una vez abiertas deben conservarse en un frasco con metanol al 40%, si se secan no sirven más.

 

Buffer: hay muchas fórmulas, la que yo uso es la de veronal sódico al 0.04M,

Veronal sódico         8.24gr

Agua desestilada csp 1000 ml de solución

Conviene preparar menos, el buffer se puede usar muchas veces, una vez hecha la corrida se guarda en un frasco bien tapado para la próxima, el único problema es que puede contaminarse con hongos.

 

Liquido colorante Esta solución también puede usarse muchas veces, una vez coloreada la corrida se guarda en un frasco bien tapado

Negro amido 10B        0.5 gr

Metanol                       45 ml

Ac Acético                  10 ml

Agua                            45 ml

 

Liquido decolorante

Metanol                        47.5 ml

Ac Acético                     5 ml

Agua                             47.5 ml

 

Solución transparentizadora:

Metanol                        85 ml

Acético                         14 ml

Glicerina                         1 ml

 

Liquido para eluir

Acetico al  80%

 

Método

Se toma una tira de cellogel y se la seca entre dos papeles tipo tissue, luego se la coloca en un recipiente que tenga buffer, se la deja durante unos 10 minutos, transcurridos, se la saca y se absorbe el exceso con papel tissue, se la monta sobre el puente de la cuba con la cara opaca hacia arriba, las tiras vienen con un corte en chanfle en una de sus esquinas, ese chanfle debe estar al lado derecho del operador.

La siembra se hace a 1,5 cm del cátodo, con el aplicador antes descrito. Conviene ser rápido en todo esto para evitar que se evapore el líquido del acetato y se reseque

En la cuba se coloca en ambos compartimentos una buena cantidad de buffer. Y se pone el puente con la tira.

Se enciende la fuente, si es regulable se le da unos 150v y la corriente andará mas o menos a 1 mA por cada cm de ancho de la tira, en mi caso uso tiras de 2 cm.

Se deja 50 minutos. Si se quiere visualizar por donde anda la corrida al suero puede agregarsele una tintura (azúl de bromofenol en alcohol al 1%)

Transcurrido el tiempo se desconecta la fuente de la red y se saca la tira, ojo si se manipula, las manos deben estar bien limpias y desengrasadas. Se traslada la tira cortándole ambos extremos (dejamos solo la parte donde se encuentra el suero ya fraccionado) a un recipiente con el líquido colorante por unos 4 minutos, luego se trasvasa el liquido a su frasco y la tira puede lavarse con agua de la canilla, se la pasa luego a un recipiente con liquido decolorante, agitándola y haciendo sucesivos lavados hasta que quede el fondo completamente blanco, en este momento ya se visualizan perfectamente las fracciones, pero falta transparentizar

Antes de pasar al líquido trasparentizador conviene por 1 minuto colocar en metanol puro, luego se pasa al líquido trasparentizador por 2 minutos, una vez hecho esto, se saca con precaución la tira y se la coloca sobre un vidrio cuidando que no queden burbujas de aire, se pone sobre alguna superficie caliente, puede ser el calor de una lámpara eléctrica, (yo lo hago directamente sobre la llama, pero ojo porque puede prenderse y chau trabajo, hay que empezar de nuevo). Una vez que se le aplica calor la tira se pone transparente se la deja secar y ya tenemos nuestra corrida electroforética.

cortes.jpginterpretacion.jpgDistintas corridas, la tercera tiene una gamapatia monoclonal

 

 

Interpretación


De total de las proteínas humanas cuyo valor normal en suero es de 6 a 8 gr/dl los porcentajes de las fracciones corresponden a:

   Fracciones

   Valores de referencia %

   Valores de referencia g/dl

   Albúmina

   48,4 – 66,1

   3,39-4,63

   Alfa 1

   2,6 – 6,3

   0,18 – 0,44

   Alfa 2

   7,1 – 13,6

   0,50 – 0.95

   Beta

   7,5 – 14,3

   0,52 – 1,00

   Gama

   8,7 – 23,7

   0,61 – 1,66

 

Para realizar el cálculo porcentual de las distintas fracciones se puede hacer con un densitómetro, pero también se puede hacer por elusión que es lo que voy a explicar a continuación.

Se corta la corrida de acuerdo a las líneas que he marcado, digamos en los valles:

 

Se preparan 6 tubos de ensayo numerados del 1 al 6 al primero se le agregan 10 ml de acético al 80% y a cada uno de los restantes 5 ml, el corte nro 1 se coloca en el primer tubo el 2 en el segundo y asi hasta el quinto, al último tubo  se le agrega un trozo de tira como la nro 6, que se usará de blanco. Se agita hasta que los trocitos se hayan disuelto

Para cuantificar se necesita un espectrofotómetro, se pone a cero con el tubo 6 y se leen las densidades ópticas de cada tubo a 620 nm, se anota cada valor, al primer tubo se lo multiplica por dos (tiene el doble de eluyente) se suman todos los valores, ese valor corresponde al 100% luego regla de 3 simple se calculan los porcentajes de las distintas fracciones.

 

Síntesis del proceso

 

  1. Colocar el cellogel 10 minutos en buffer
  2. Llenar la cuba con buffer
  3. Hacer la siembra del suero del lado opaco de la tira a 1.5 cm del lado negativo de la cuba
  4. Por 50 minutos dar 150v
  5. Colocar en liquido colorante 4 minutos
  6. Lavar con agua de la canilla
  7. Decolorar con liquido decolorante
  8. Pasar a metílico por 1 minuto
  9. Colocar en solución transparentizadora 2 minutos
  10. Colocar en un vidrio sobre alguna superficie caliente hasta total transparencia
  11. Dejar secar y eluir si se desea

 

Avisos y advertencias

 

1.  El alcohol metílico es muy venenoso, se absorbe por piel y mucosas asi que trabajar con guantes y ni  se les ocurra darse un traguito, porque pasan derecho al hospital, lo bueno es que para curarlos de la intoxicación con metílico se les da vodka, whisky  o alguna otra bebida blanca, para que el etílico compita con el metílico, ya ven que no todos los remedios son horribles je je

 

2.  No meter las manos en la cuba cuando esta enchufada a la red, si la fuente tiene miliamperímetro fijarse que este en cero antes de tocar.

 

3. Los materiales como sueros o plasmas si no sabemos bien su procedencia pueden tener enfermedades muy peligrosas HIV, hepatitis A, B, C o D etc conviene ser muy cauteloso en su manejo

 

Biodigestor casero

Bueno, para empezar una breve explicación de que es un biodigestor, y de donde he sacado los datos etc.
Bien, hace unos años he tomado un curso con un docente de la Universidad Nacional del Litoral, el Ingeniero Eduardo Groppelli, que editó un libro “El camino de la biodigestión” editorial centro de publicaciones de la Universidad Nacional del Litoral, de este libro y partes del curso he tomado la mayor parte de los datos. 

El biodigestor es un recinto cerrado donde se producen reacciones anaeróbicas (sin aire) en el que se degrada la materia orgánica disuelta en un medio acuoso, para dar como resultado metano y dióxido de carbono, trazas de hidrogeno y sulfídrico, estos microorganismos, protozoarios hongos y bacterias que están en el interior deben ser cultivadas, por tanto no vamos a obtener el biogas inmediatamente, tendremos que esperar que lo empiecen a producir, esto tarda unos 15 días mas o menos, esta producción se vera afectada por la temperatura exterior, por tanto si queremos que nuestro biodigestor produzca algo mas o menos constante debemos enterrarlo para que la temperatura se mantenga en unos 18 grados, no es lo mejor pero durante los fríos de invierno tendremos buena producción.
En la imagen que puse mas arriba el biodigestor está pintado de negro para aumentar la temperatura interior ya que no esta enterrado.

cargadogasometromodelocompletodiagramadidactico 

Ya hemos hablado de que se trata de un lugar cerrado donde al cavo de algunos días se produce la digestión anaeróbica de los residuos orgánicos. Ahora veremos como se calcula la capacidad del mismo y con que materiales se puede construir.
El primer paso para calcularlo es conocer la cantidad de material orgánico del que vamos a disponer para alimentarlo, sabiendo esto y que humedad tiene ese residuo (está en una tabla) podremos saber que carga tendrá diariamente el biodigestor. Por ejemplo en un tambo se dispone diariamente de 100Kg de estiércol de vaca que tiene un 80% de humedad. El preparado para alimentar el biodigestor debe tener un máximo del 10% de material seco por lo tanto le deberemos agregar a los 100 Kg de estiércol 100 litros más de agua que dejaran a la solución al 10%. En este ejemplo podemos darle una carga diaria de 200 litros según vimos, y si el proceso de digestión se completa aproximadamente a los 40 días, la capacidad del biodigestor deberá ser 200 x 40= 8.000 litros
En nuestro caso como es una maqueta demostrativa tenemos que hacer el calculo inverso, la capacidad del BD es de 200 litros por tanto 200/40= 5 , a nuestra maqueta de debemos suministrar a diario 5 litros del preparado al 10%. Si lo alimentamos con estiércol vacuno 2,5 Kg de estiércol y 2,5 litros de agua, si lo alimentamos con sorgo 0,5 Kg de sorgo y 4,5 litros de agua.
Los biodigestores pueden construirse con una variedad de materiales, chapa, plástico, concreto, fibra de vidrio etc, la condición es que sea hermético. Hay varios tipos de BD, el que nosotros usamos lleva como complemento otro aparato de igual tamaño que se llama gasómetro y sirve para acumular el gas. Este gasómetro consta de dos tambores que entran uno dentro del otro, el uno va lleno de agua y el otro va invertido dentro del otro

Distintos modelos de biodigestores
Biodigestor tipo INDU
indu 

Este modelo tiene incorporado el gasómetro directamente sobre el propio biodigestor

ver figuras en album

Biodigestor tipo CHINO

La característica de este modelo es que no posee gasómetro , tiene una bóveda en la parte superior donde se acumula el biogas, requiere de bastante experiencia en su construcción ya que si la bóveda no esta bien construida la presión del gas puede romperla, el generador esta completamente construido en concreto, parecido a los aljibes de nuestra zona.

chino
Estos son bien prácticos ponen el popó (usan popó humano tambien) de un lado, sacan el abono del otro para regar el arroz y tienen luz de noche alimentan los faroles a gas con el biogas.

Biodigestores de desplazamiento horizontal

Este modelo puede tratar residuos cloacales de localidades que no cuenten con servicios de cloacas, hay un modelo sencillo y económico que puede fabricarse con un silo bolsa de los que se utilizan para guardar forrajes

horizontal

Aqui voy con unas tablas de datos útiles, para saber que podemos esperar de rendimientos analizando el material orgánico que dispondremos para digerir.
Tambien va la tabla de poder calorífico que como veran es mas bajo que el del gas natural y mucho mas bajo que el de gas envasado

Bueno como prometí dejo el link donde hay una reseña de biodigestion y las tablas.  Picar aqui