Agradecimientos: Para Black-Tiger, diseñador de la fuente sin su ayuda este proyecto no hubiera sido posible, gracias por las horas de paciencia y felicitaciones por el diseño anda fenómeno. A Drearta, Armac, Zoco que pusieron su granito de arena. Todos de DTForum gracias muchachos.Un poco de teoría:
Este ingenioso dispositivo que en si no presenta mayores dificultades de construcción porque es muy simple, esta basado en un capacitor asimétrico, una de las placas en la practica es un delgado hilo de cobre de superficie casi despreciable frente a la otra placa que esta hecha con papel aluminio de horno. El efecto de levitación se produce por un intenso viento iónico que se desprende de la placa superior del capacitor (el alambre delgado) y que es atraída hacia la otra placa.
Si bien el dispositivo es muy fácil de hacer requiere para que flote al menos 25 a 30Kv para que haya suficiente fuerza de “despegue”, por lo que la fuente de alta tensión debe ser mas o menos elaborada.Construcción:
Levitador
En mi caso he armado el levitador con madera balsa siguiendo las indicaciones del siguiente documento, salvo que los lados son de 17 cm en lugar de 20 como allí indica y estan hechos como dije antes de madera balsa, la altura de los parantes es la misma y el ancho de la banda de aluminio es de 4 cm. El peso total del aparato resulto ser de 2.8 grs.
Tuve en el transcurso de la experimentación con los modelos, un “Roswell”, un modelo un poco mas pequeño que construí en el trayecto se prendió fuego antes de despegar en unos de los parantes de madera balsa (ver foto)

también los que han visto en el video del vuelo “bautismo” habrán notado la descarga de arcos en el transcurso del mismo, eso se debe a aristas y pequeñas puntas en el papel de aluminio que hacen de pararrayos y rompen el dieléctrico de aire, esos son efectos no deseados porque pueden provocar lo que a mi me pasó que se incendie o se corte el hilo superior. Pienso, aún no lo he experimentado pero armar el lifter con pajitas de gaseosa debe contribuir a una mejor aerodinámica del modelo seguramente algún experto en aeromodelos podría confirmarlo, también el borde redondo del cañito plástico disminuye las aristas más o menos filosas que quedan en los bordes de la madera balsa.
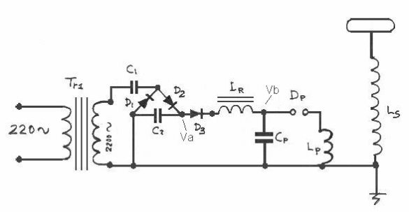
La Fuente Black-Tiger 30KV
Bueno el diseño fue hecho por Ángel por eso lleva su nombre (nick),
es un generador de pulsos con un integrado 40106 que puede ser variado atravez de un potenciómetro, esto es fundamental a la hora de las pruebas ya que el pote regula desde prácticamente 0 a máximo voltaje. Además del integradito lleva un transistor exitador común BD135 que ataca la base del transistor final un BU208A que debe estar disipado ya que levanta algo de temperatura. El corazón de la fuente es un flyback de televisor a color, en este caso usé el 154 177j ,


creo que es condición sin ecuanón que así sea, he probado varios otros flyback de TV B/N sin los resultados adecuados. La fuente que alimenta todo el conjunto lleva dos devanados uno que entrega 75v DC a 1 A para alimentar el Tr final y otro que es de 12v 200 mA que alimenta el integrado y el exitador.
El circuito tal como esta funcionando es el que se expone a continuación, para mas comodidad de alguno que quiera experimentarlo se adjunta el diagrama de circuito impreso.



Además de esto otra cosa necesaria para volar es un condensador de altísima aislación, en electrostática llamado jarra de Leyden, en este caso lo he hecho con una botella plástica recubierta la parte externa por papel de aluminio de cocina hasta mas o menos unas dos terceras partes, en el interior la he llenado con agua salada y unas gotitas de detergente como tensioactívo para mejorar la adherencia a las paredes en la parte superior en el tapón que va agujereado penetra hasta el seno del líquido un alambre de cobre mas o menos grueso que sobresale unos 20 cm hacia fuera, esto nos va a servir para que el alambre superior del lifter quede en el aire sin que haya peligro que se ponga en corto cuando el viento iónico comienza a soplar.
Fotos de la fuente ya terminada
Este condensador es indispensable, tiene alrededor de unos 350 pF y hace que la fuente se vuelva muy peligrosa para el operador, una descarga puede ser MORTAL así que ojito, si te va a decidir emprender este proyecto debe ser con alguien que este habituado al manejo de altas tensiones y cuando se hacen las pruebas no estar nunca solos.El VueloUna vez que hemos probado la fuente y todo funciona, se conecta el positivo del flyback al punto superior del capacitor de alta aislación y el negativo o masa va conectado al aluminio con un alambre fino y se adhiere con un trozo bien chico de cinta. En las tres puntas del lifter se pegan con trocitos de cinta unos hilos que van a ser los sujetadores para que estabilizar y evitar que se nos escape el levitador, por otro lado el vuelo es bastante irregular en el primer videito puede verse que sale despegando para un lado, en el segundo video ya he mejorado la posición de los sujetadores y es mas prolija la cosa.
Una cosa muy llamativa es el ruido, había leido que no eran tan ruidosos pero en mi caso al menos es muy fuerte, tal vez mejorando la aerodinámica del diseño eso disminuye.
Para mas detalles se puede revisar el hilo;
http://www.dtforum.net/index.php?topic=41933.0
