El banco de capacitores


Atención!!!  la realización de estas pruebas debe hacerla personal capacitado con conocimientos de electrónica, el manejar con descuido estos dispositivos puede causar lesiones serias en la persona y recibir descargas eléctricas importantes aún estando desconectado el dispositivo de la línea de alimentación

Muchas veces necesitamos hacer experiencias con detonaciones y hacerlo con explosivos convencionales resulta un tanto peligroso, difícil de cuantificar y en muchos casos debido a las condiciones de la prueba no es posible.

El banco de capacitares es una herramienta que si bien no deja de ser peligrosa, ya que se trabaja con corriente eléctrica, es muy interesante.

Como todos sabemos los capacitores pueden acumular energía y hay fórmulas que nos permiten saber cuanta energía son capaces de guardar, por lo tanto este dispositivo no es mas que eso, una capacidad que tiene un sistema de carga y puede descargarse por medio de una llave, que puede ser electrónica o mecánica, la descarga se realiza sobre un fusible que se volatiliza y explota.

clip_image002

En mi caso, tenía disponibles una buena cantidad de fuentes de PC que estaban fuera de servicio, cada una de ellas lleva dos capacitores de 330MF a 200v. pude recuperar 24 de estos capacitores lo que me suma 7900 MF, si hacemos el cálculo de los Julios capaces de almacenar

W= 1/2 *0.0079 * 200^2 = 158 Julios

Esa energía no es grande, pero si suficiente para varias pruebas, para tener una idea de cuanta energía son 158 J, una bala calibre .22 tiene una energía de 96 Julios y una calibre 9 mm 313 Julios, este banco tiene una energía intermedia entre una bala .22 y una 9 mm

La gran ventaja de estas detonaciones es que se pueden hacer en cualquier medio, en el vacío, en el agua y además no hay prácticamente masa en juego, solo la del fusible que es de alambre muy fino, en mi caso de solo 0.17 mm de diámetro y un largo de 5 mm eso me da una descarga puntual de energía, muy útil para realizar experimentos que ya comentaré.

Para la realización práctica del banco me han dado una mano los colaboradores del foro de ciencias aplicadas http://cienciaexperimental.foroactivo.com/ en especial Gabriel Mendez que realizó el diseño de la electrónica con los materiales que había en disponibilidad y además parte de esos materiales me los había regalado hace un tiempo cuando visité su laboratorio, también me ha ayudado Maca con su basta experiencia en estos aparatos y Aleseg con sus siempre exactos aportes.

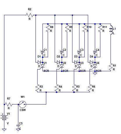
Para disparar el banco este dispositivo lleva unas llaves electrónicas que se llaman tiristores, este diseño lleva cuatro del tipo 2n688 cada uno descarga 6 condensadores

El circuito es este

clip_image004

R1 = filamento explosivo.
R2= lámpara de 40W.
R3,4,5,6=2K7
R7=22K…2W

D1, 2, 3  y 4 = silicones de 1000v 1A comunes

R8,9,10,11 = 47K 2W
C5=33n 350V
L1= un rulo o dos del cable.
C1,2,3,4,=grupos de 6 capacitores de 330MF 200V.

clip_image006

Los cuatro iguales de la derecha son los utilizados en este proyecto

clip_image008

Los  24 electrolíticos montados en una plaqueta

En cada Kátodo de los tiristores (SCR) he agregado un choke que he armado con transformadores de núcleo de ferrita también reciclados de las fuentes de PC, ver foto.

 

Además he agregado dos relays uno para carga y el otro para detonación, el primero esta entre la fuente de 200v de continua y R2 (El foco de 40W) y el otro en el lugar del W1, también desde uno de los grupos de 6 condensadores saque un conductor que lleva a un instrumento, un voltímetro, que permite ver la tensión a la que están siendo cargados.

Todo el conjunto fue alojado en un viejo gabinete de CPU que fue cortado con la amoladora angular.

clip_image012

El gabinete de un viejo CPU cortado con la amoladora

clip_image014

Acá mas presentable, ya pintado

clip_image016

Presentando los materiales

El modelo terminado cuenta con un control remoto, para detonar desde una distancia de unos 2 metros, en él están los botones de carga (negro) y disparo (rojo) además he alojado allí un instrumento (voltímetro) para verificar la carga de los capacitares.

clip_image018

La plaqueta de control con los dos relays

clip_image020

Se pueden ver los tiristores, con un pequeño disipador también reciclado de las fuentes de PC y los chokes hechos con pequeños núcleos de ferrite

clip_image022

El control remoto, con el voltímetro y los botones de carga (negro) y detonación (rojo)

clip_image024

El porta fusible

clip_image026

Un pequeño video de una detonación

En breve pondré las diez pruebas con el banco de capacitores

11 comentarios en “El banco de capacitores

  1. César, yo probé con la Planté el retrato de pan de oro y no funcionó. Probad vos con eso, a ver si va no?¿
    Abrazos.

  2. Pingback: Diez pruebas con el banco de capacitores | Espacio de César

  3. Cesar el grupo de 6 capasitor van en seri o parralelo
    att jesus

    • Van en paralelo, son cuatro grupos de 6 capacitores en paralelo manejados cada uno con un tiristor, esa disposición se debe a que no tenía un solo tiristor que aguantara los 24 capacitores en paralelo juntos

  4. gracias cesar por la esplicacion tengo mas claro el por que

  5. Pingback: Midiendo la velocidad del sonido con una cámara de alta velocidad | Espacio de César

  6. cesar que es el filamento explosivo?

  7. Hola César quiera saber ¿cual es la función del choke a la salida del katodo del SCR ? no es malo que limite la corriente?

Deja un comentario